1. Introducció del producte
Brida Asme b16 5és una part que connecta canonades, que s'utilitza per a la connexió entre els extrems de la canonada. També s'utilitza per a la connexió entre dos equips. Totes les parts de connexió que estan connectades per cargols i tancades al mateix temps al voltant de dos plans s'anomenen generalment "brida", com la connexió de canonades de ventilació. Aquest tipus de parts es poden anomenar "parts de brida". ASME B 16.5 és l'especificació dels Estats Units per a la brida.




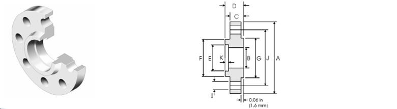
2. Paràmetres del producte
Tipus | PL, SO, WN, IF, SW, PJ/SE, PJ/RJ, BL | |
Especificació | Mida | DN10-2000 NPS 1/2"-48" |
Pressió normal | PN 2,5,6,10,16,25 encara PN400 | |
Classe150,CL300.400, 600.900,1500.2500 | ||
Laborable temperatura | -60 °C ~ 250 °C | |
Estàndard | ASME/ANSI B16.5, DIN2630~2673, HG20592-20635, etc. | |
Davant | FF, RF, TG, RJ, etc. | |
Aplicació | Petroli, Petroli, Química, Indústria ect. | |
Embalatge | Estoigs de fusta navegables amb escuma a l'interior o personalitzats | |
Pagament | L/C,T/T,Western Union,Paypal,ESCROW | |
Entrega | 7-15 dies laborables després del pagament del 30% o en estoc | |
3. Tipus de brida
Brida coll soldat - ANSI B 16.5

Lliscament sobre brida - ANSI B 16.5

Brida cega - ANSI B 16.5

Brida de soldadura per endoll - ANSI B 16.5

Brida junta de volta - ANSI B 16.5

Brida roscada - ANSI B 16.5

4. Tipus de brida comuna i forma superficial de segellat

5.El nostre espectacle de fàbrica

Etiquetes populars: asme b16 5 brida, Xina, fabricants, proveïdors, fàbrica, personalitzat, comprar, preu, qualitat, cotització, llista de preus, en estoc








